Old House Restoration Makeovers Restore Lost Curb Appeal
The following is a small sample of the over 1600 projects. Click on the image to make it larger. I do not have a listing of the colors used in the projects below so there is a research fee. If you are interested in obtaining the color name and code for any of the samples, please email me with the Project ID listed below the project name along with Before, After, Alternate 1,2 etc. Please understand that the color calibration of your monitor affects the colors you see on your screen. There is a $20 research fee for the first color and $10 for each additional color payable through Pay Pal.
1880’s Saratoga Springs Victorian Needs HPC Approval
This house is located in a historic district and approval is required for a new porch railing, steps, newel posts and painting. Aside from a new railing, all that was needed was paint color correction in the gables.
This is what the homeowner emailed me:
The Review Board meeting was on July 6th. There were 6 board members plus someone from the Historical Preservation Society. First they had a presentation regarding the awards that had been given in May. I was the second application on the schedule. The first guy (who lives about 2 blocks away) had a very detailed presentation but after they completely tore him apart I thought I was toast. Luckily they loved the new stairs, railing and color choices. Then they asked how I had gotten such a good rendering of the colors and new staircase and I told them about you and your website. They pulled up the website and put it on the big screen and everyone was totally impressed. I was surprised they had not heard of it, but in any case the application was unanimously approved and kudos given to your website. The Preservation lady said to contact them when the job is finished and they will give consideration to giving the house an award next year. I e-mailed her your contact details, so hopefully it will result in more business for you. They were all so interested in the website they hardly looked at my proposal at all 🙂
Scope of Work:
- Correct color placement.
- New period paint colors.
- New railing, newel posts, and steps.
1984 House with Bad Design Corrected
This poor homeowner got a bad deal from an architect and didn’t even know it. Notice the weird steep dormer on the garage that does not fit in. Fish scale shingles on the gables are good but why in the world would anyone put them under the eaves? Under the eaves you have frieze board trim which is in proportion to the house. Adding two courses of shingles i just plain insane. I see this being done a lot. Where do these designers come from? Removing them is the best option but here we just painted them to match the body color so they are not noticed.
Notice the house appears heavy on the right side. This is because the garage lacks windows. The bay window should also not have siding but panels at its base.
Scope of Work:
- Paint out fish scale shingle valance to make it disappear.
- Add panels below bay window.
- Add two windows in garage to balance out the house
- Remove storm door
- Add shutters
- New paint color scheme.
1900 Wisconsin Home – Open Up Porch & Paint Colors
This house is on a corner and what you see is the side of the house. Both the front porch and the side porch which you see are enclosed. The homeowner will also open up the front porch copying the style of the side porch. New historic paint colors make this house look special.
Scope of Work:
- Open up porch.
- Install balustrade with sawn balusters, porch posts, and spandrels.
- New steps, newel post, porch skirt.
- New historic paint color scheme.
Landscaping Can Improve Curb Appeal
Scope of work:
- Landscaping to highlight house.
This contemporary Colonial house is situated on a large property with the driveway entrance approaching the house on the right side. Guests are guided to the front door on a walkway with shrubs helping direct them to the entrance.
Ground cover can really improve curb appeal. The ground cover softens the transition from grass to the building and allows the house to extend out and draw you to it as it welcomes you.
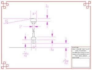
Historic Porch Design for HPC Approval
Homeowner wanted to redo the porch steps and add a balustrade to an 1856 house. Although we know there was a full front porch in 1897, we have doubts a porch existed in 1856. Because of this the current porch size was retained.
This is a rendering of the proposed construction. It is to be used for the Historic Preservation Commission review. They see an image of the work to approve before construction begins. The homeowner and commission know what to expect.
Scope of work:
- New balustrade to match style of house.
- New steps and resized to specifications.
- New porch skirt.
- Add brackets above porch.
- AutoCAD diagram of brick walkway.
Images and AutoCAD diagrams were prepared for the local Historic Preservation Commission to review and approve. The contractor was able to use this information to construct a historically appropriate porch balustrade etc.














